化工行业
橡塑行业
食品行业
锂电行业
化工物料自动化解决方案
——————————
————————————————————

简介:

  该系统是针对涂料行业研发的自动配料输送系统。系统配备了上位机管理软件,集设备操作、配方管理、数据记录于一体。同时,该系统解决了粘性物料的输送难题。系统除了可以满足客户的各种不同需求外,在节能降耗、改善环境、提高生产效率方面有非常大的优势。

系统特点:

  该系统配置灵活,节能环保,并可根据不同客户需求,量身定制符合不同生产需要的设计方案,其适用于:
  1、不同包装形式(袋装、太空包、槽车等)的松散物料的气力输送系统;
  2、粘性较大物料(钛白粉、炭黑等)的气力输送系统;
  3、不同物料(粉料、粒料、块料、液体物料等)的自动称量配料输送系统;
  4、按客户需求配置国际知名品牌的PLC、工控机、触摸屏及仪表,满足用户的特殊需求;
  5、按客户要求将涂料生产车间的管理、控制统一纳入到系统中,可实现生产数据的可追溯;
  6、物料均化技术,配方称量准确,提高产品均一性,产品品质得到明显提升;
  7、对客户生产过程进行全面的节能降耗改造;
  8、系统可实现随停随启,维护量小,故障率低。

橡塑物料自动化解决方案
———————————
———————————————————
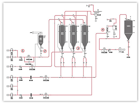
简介:        适用于PP、PE、PC、ABS、PET、PVA、PVB、PVC、POM、PTA等塑料生产行业的多个过程的粉粒料输送系统。(包括粉料氮气闭环输送、粒料筛分、粉料掺混、稀相输送、密相输送等)。

粉料闭环典型流程

粒料开环典型流程
系统特点及主要参数:
  氮气闭环输送,粉料处于密闭微正压状态,防爆等级DIP A22 T4+EXDII BT4;
  氮气闭环气力输送系统能力:0-90t/h;  氮气闭环气力输送距离:0~350m;
  空气开环稀相输送系统能力:0~120t/h;
  空气开环稀相输送距离:0~500m;
  密相输送系统能力:0~90t/h;
  密相输送距离:0~300m。

简介:

  用于处理多种配方烘焙原料(包括主料、辅料、微料、糖、液体)的自动化称量输送系统,每套系统均可根据客户需要量身定制。

系统特点:
  原料接收:多种投料方式可选,可实现各种包装的无尘卸料;作业人员操作方便,没有错投漏投的损耗;原料筛分保证质量,工作环境保持清洁。  原料存储:通过料仓集中存储,节省原料库的空间;原料库存和用量可控,根据原料配制不同的辅助卸料装置;保证适合原料存储的温度和湿度。
  原料输送:可实现大批量、远距离、高效率输送;快速准确的取料并输送到指定位置;管道封闭输送有效避免污染。
  原料称量:高效、高精度称量,实现配方自动切换;称量参数自动调节,具有手动/自动称量切换功能及物料统计功能。
  系统管理:可视化控制系统,可以实现生产计划管理、生产配方管理、物料统计功能、系统监控功能、设备报警功能及报表追溯功能。


主要参数:
  粉料输送能力:0-20t/h
  粉料输送距离:0-200m
  粉料称量精度:±5‰


食品物料自动化解决方案
———————————
————————————————————
锂电物料自动化解决方案
————————————
————————————————————

简介:

  用于电池原料及成品生产过程中粉液体的自动称量及气力输送系统,力求为客户创造更多价值,提高产品品质,促进锂电行业产业升级。

锂电池原料自动称量与输送工艺流程

锂电池成品生产自动称量与输送工艺流程

系统优势:

  原料接收:多种投料方式可选,可实现各种包装的无尘卸料;作业人员操作方便,没有错投漏投的损耗;原料筛分保证质量,工作环境保持清洁。
  原料存储:通过料仓集中存储,节省原料库的空间;原料库存和用量可控,根据原料配制不同的辅助卸料装置;保证适合原料存储的温度和湿度。
  原料输送:可实现大批量、远距离、高效率输送;快速准确的取料并输送到指定位置;管道封闭输送有效避免污染。
  原料称量:高效、高精度称量,实现配方自动切换;称量参数自动调节,具有手动/自动称量切换功能及物料统计功能。
  系统管理:可视化控制系统,可以实现生产计划管理、生产配方管理、物料统计功能、系统监控功能、设备报警功能及报表追溯功能。

苏州普控科技有限公司
地          址:江苏苏州张家港市兆丰镇乐创工业园
手机号码:13862261551,13862212808
售后服务:13776279620
电子邮件:mahjszjg@126.com
website qrcode

扫描查看手机版网站

关注我们